欢迎访问乐发Vll网站!

sitemap

联系我们

          全国服务热线:400-138-6882

微信客服

扫描微信二维码

客户服务热线

139-0230-5242

在线客服
联系我们

全国服务热线:

139-2897-4276

联系人:李小姐

手机:13928974276

电话:020-34329972

邮箱:LXL@DY-ELE.COM

地址:广州市番禺区番禺大道北555号天安总部中心14号楼1007室

高级搜索:
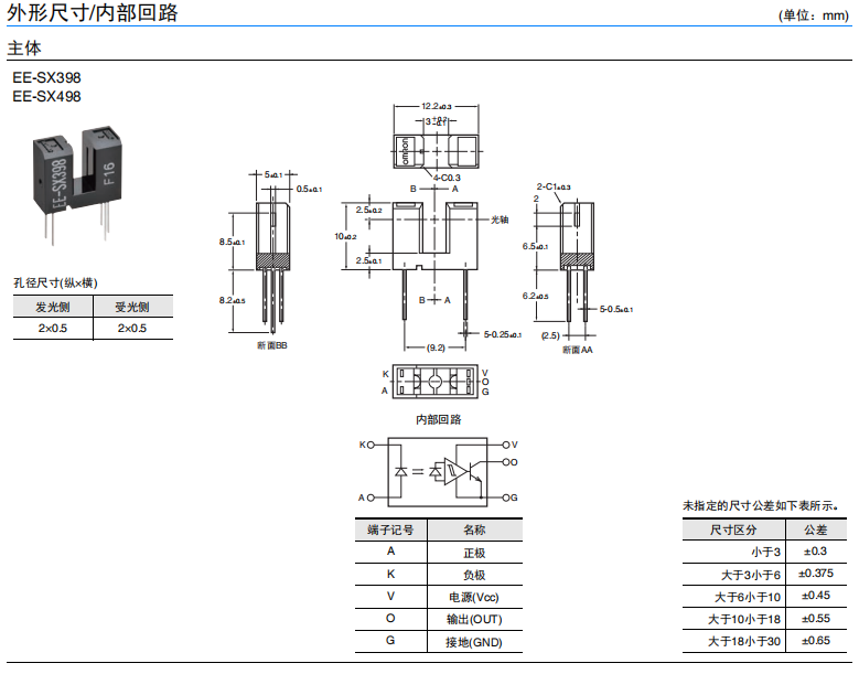
EE-SX398/EE-SX498 微型光电传感器(透过型)
  • EE-SX398/EE-SX498 微型光电传感器(透过型)

EE-SX398/EE-SX498 微型光电传感器(透过型)

所属类别:透过型光电传感器

产品规格:

EE-SX398/EE-SX498 微型光电传感器(透过型)
  • EE-SX398/EE-SX498 微型光电传感器(透过型)

EE-SX398/EE-SX498 微型光电传感器(透过型)

所属类别:透过型光电传感器

产品规格:

详细内容
凹槽端子型(槽宽:3mm)
光电IC输出(分为遮光时ON(EE-SX398)/入光时ON(EE-SX498) 2种类型)
适用电源电压为DC4.5~16V
可直接连接C-MOS
透过型光电传感器

相关产品

更多>>

版权所有©2017 乐发Vll
备案号:粤ICP备14034895号

服务热线:4001386882/13902305242
 E-MAIL: lxl@dy-ele.com
 联系人: 李小姐
地址:广州市番禺区番禺大道北555号天安总部中心14号楼1007室

微信公众号

微信二维码