欢迎访问乐发Vll网站!

sitemap

联系我们

          全国服务热线:400-138-6882

微信客服

扫描微信二维码

客户服务热线

139-0230-5242

在线客服
联系我们

全国服务热线:

139-2897-4276

联系人:李小姐

手机:13928974276

电话:020-34329972

邮箱:LXL@DY-ELE.COM

地址:广州市番禺区番禺大道北555号天安总部中心14号楼1007室

高级搜索:
EE-SV3(槽宽:3.4mm)
  • EE-SV3(槽宽:3.4mm)

EE-SV3(槽宽:3.4mm)

所属类别:透过型光电传感器

产品规格:

EE-SV3(槽宽:3.4mm)
  • EE-SV3(槽宽:3.4mm)

EE-SV3(槽宽:3.4mm)

所属类别:透过型光电传感器

产品规格:

详细内容

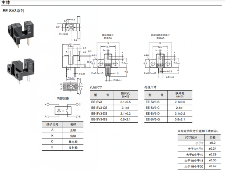
带螺钉安装钩体的凹槽端子型
(槽宽:3.4mm)
4种孔径形状
2种端子形状(缆线焊接用,印刷线路板用)

  • EE-SV3 光电传感器

    微型光电传感器[透过型


相关产品

更多>>

版权所有©2017 乐发Vll
备案号:粤ICP备14034895号

服务热线:4001386882/13902305242
 E-MAIL: lxl@dy-ele.com
 联系人: 李小姐
地址:广州市番禺区番禺大道北555号天安总部中心14号楼1007室

微信公众号

微信二维码