欢迎访问乐发Vll网站!

sitemap

联系我们

          全国服务热线:400-138-6882

微信客服

扫描微信二维码

客户服务热线

139-0230-5242

在线客服
联系我们

全国服务热线:

139-2897-4276

联系人:李小姐

手机:13928974276

电话:020-34329972

邮箱:LXL@DY-ELE.COM

地址:广州市番禺区番禺大道北555号天安总部中心14号楼1007室

您当前的位置:首页 » 产品信息 » 欧姆龙开关 » 微动开关  » D2VW-01系列
高级搜索:
D2VW-01系列
  • D2VW-01系列

D2VW-01系列

所属类别:微动开关

产品规格:

D2VW-01系列
  • D2VW-01系列

D2VW-01系列

所属类别:微动开关

产品规格:

详细内容


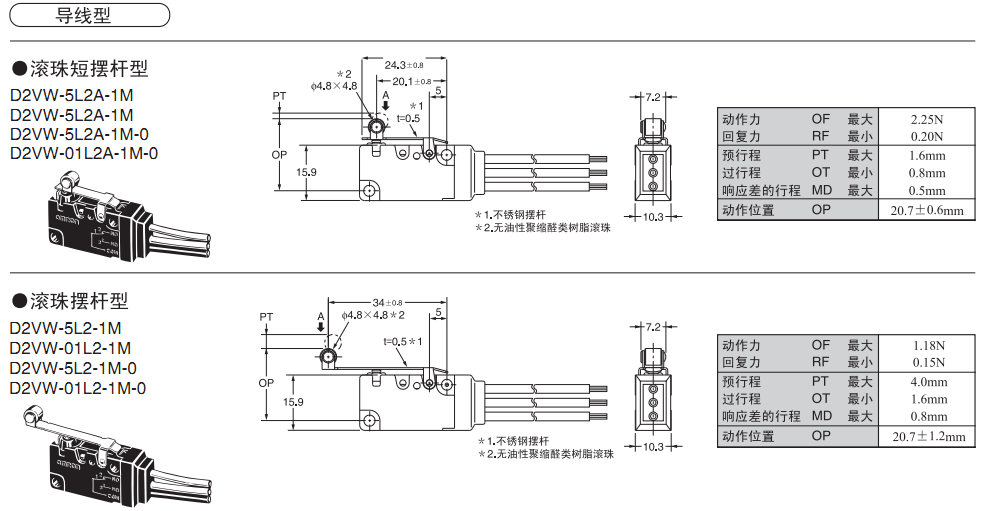
D2VW 密封型小型基本开关
密封型(符合IP67:除端子部以外)的小型基本尺寸
采用环氧树脂来确保稳定的密封性。可以在会淋水或多尘埃的地方使用。
内部结构采用广受好评的V系列的结构,实现高精度和长寿命。安装也和V系列相同。
可在汽车、农业机械、大型家电、办公设备等有耐环境性要求的场合使用。
具有符合UL、CSA和VDE安全标准的不同型号。

欧姆龙微动开关, D2VW-01L3-1,欧姆龙微动开关D2VW

相关产品

更多>>

版权所有©2017 乐发Vll
备案号:粤ICP备14034895号

服务热线:4001386882/13902305242
 E-MAIL: lxl@dy-ele.com
 联系人: 李小姐
地址:广州市番禺区番禺大道北555号天安总部中心14号楼1007室

微信公众号

微信二维码