欢迎访问乐发Vll网站!

sitemap

联系我们

          全国服务热线:400-138-6882

微信客服

扫描微信二维码

客户服务热线

139-0230-5242

在线客服
联系我们

全国服务热线:

139-2897-4276

联系人:李小姐

手机:13928974276

电话:020-34329972

邮箱:LXL@DY-ELE.COM

地址:广州市番禺区番禺大道北555号天安总部中心14号楼1007室

您当前的位置:首页 » 产品信息 » 欧姆龙开关 » 微动开关  » D2RV系列
高级搜索:
D2RV系列
  • D2RV系列

D2RV系列

所属类别:微动开关

产品规格:

D2RV系列
  • D2RV系列

D2RV系列

所属类别:微动开关

产品规格:

详细内容

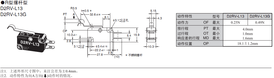
D2RV 小型基本开关
在恶劣的环境(粉尘、高湿度、硅气体等)中的微小负载领域发挥高可靠性。
开关内部使用舌簧开关。在微小负载领域具有高接触可靠性。
V型小型基本开关安装间距相同。
反弹时间在1ms以下,使用寿命长。


                     


欧姆龙微动开关, D2RV-L13,欧姆龙微动开关D2RV

相关产品

更多>>

版权所有©2017 乐发Vll
备案号:粤ICP备14034895号

服务热线:4001386882/13902305242
 E-MAIL: lxl@dy-ele.com
 联系人: 李小姐
地址:广州市番禺区番禺大道北555号天安总部中心14号楼1007室

微信公众号

微信二维码