欢迎访问乐发Vll网站!

sitemap

联系我们

          全国服务热线:400-138-6882

微信客服

扫描微信二维码

客户服务热线

139-0230-5242

在线客服
联系我们

全国服务热线:

139-2897-4276

联系人:李小姐

手机:13928974276

电话:020-34329972

邮箱:LXL@DY-ELE.COM

地址:广州市番禺区番禺大道北555号天安总部中心14号楼1007室

您当前的位置:首页 » 产品信息 » 欧姆龙开关 » 微动开关  » J-7-V4
高级搜索:
J-7-V4
  • J-7-V4

J-7-V4

所属类别:微动开关

产品规格:

J-7-V4
  • J-7-V4

J-7-V4

所属类别:微动开关

产品规格:

详细内容

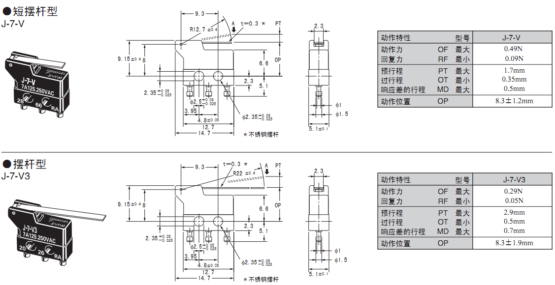
欧姆龙超级小型、可实现7A高容量开关
尽管是欧姆龙超级小型(8.9H×12.7W×5.1Dmm),但仍可以实现高容量开关(7A AC250V)的速动开关。
可作为控制用开关,在安装空间和重量受到限制的场合使用。



                 


欧姆龙微动开关,J-7-V4,欧姆龙微动开关J

相关产品

更多>>

版权所有©2017 乐发Vll
备案号:粤ICP备14034895号

服务热线:4001386882/13902305242
 E-MAIL: lxl@dy-ele.com
 联系人: 李小姐
地址:广州市番禺区番禺大道北555号天安总部中心14号楼1007室

微信公众号

微信二维码