欢迎访问乐发Vll网站!

sitemap

联系我们

          全国服务热线:400-138-6882

微信客服

扫描微信二维码

客户服务热线

139-0230-5242

在线客服
联系我们

全国服务热线:

139-2897-4276

联系人:李小姐

手机:13928974276

电话:020-34329972

邮箱:LXL@DY-ELE.COM

地址:广州市番禺区番禺大道北555号天安总部中心14号楼1007室

您当前的位置:首页 » 产品信息 » 欧姆龙开关 » 微动开关  » D2FD-01L1-1H
高级搜索:
D2FD-01L1-1H
  • D2FD-01L1-1H

D2FD-01L1-1H

所属类别:微动开关

产品规格:

D2FD-01L1-1H
  • D2FD-01L1-1H

D2FD-01L1-1H

所属类别:微动开关

产品规格:

详细内容


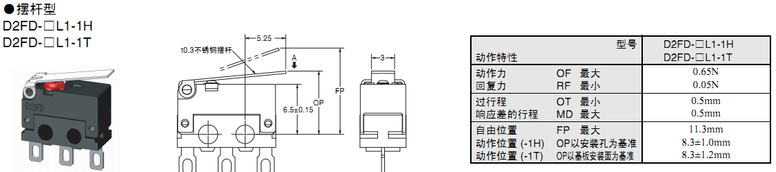
  • 兼具防尘功能的欧姆龙超级小型基本开关

  • 利用橡胶封装的密封结构实现防尘 (IEC IP6X)。可在有灰尘、纸粉的环境下使用。
  • 可动片为1片弹簧构造,支持AC125V 2A开关,更有微小负载型可供选择。
  • 还备有焊接、印刷基板用端子。



欧姆龙微动开关, D2FD-01L1-1H,欧姆龙微动开关D2FD

相关产品

更多>>

版权所有©2017 乐发Vll
备案号:粤ICP备14034895号

服务热线:4001386882/13902305242
 E-MAIL: lxl@dy-ele.com
 联系人: 李小姐
地址:广州市番禺区番禺大道北555号天安总部中心14号楼1007室

微信公众号

微信二维码