欢迎访问乐发Vll网站!

sitemap

联系我们

          全国服务热线:400-138-6882

微信客服

扫描微信二维码

客户服务热线

139-0230-5242

在线客服
联系我们

全国服务热线:

139-2897-4276

联系人:李小姐

手机:13928974276

电话:020-34329972

邮箱:LXL@DY-ELE.COM

地址:广州市番禺区番禺大道北555号天安总部中心14号楼1007室

高级搜索:
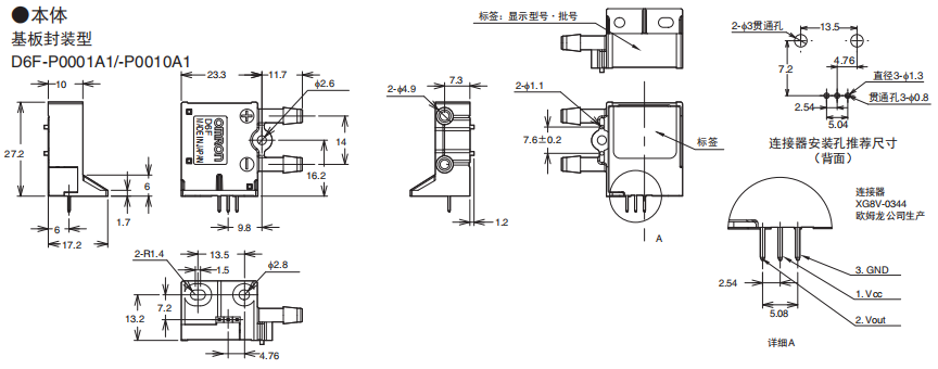
D6F-P 流量传感器0~1L/min
  • D6F-P 流量传感器0~1L/min

D6F-P 流量传感器0~1L/min

所属类别:MEMS流量传感器

产品规格:
流量传感器

D6F-P 流量传感器0~1L/min
  • D6F-P 流量传感器0~1L/min

D6F-P 流量传感器0~1L/min

所属类别:MEMS流量传感器

产品规格:
流量传感器

详细内容
小型、高精度耐环境性能卓越的流量传感器
CYCLONE方式的运用,提升了耐尘性能。
具有使用节状接头的连接器型、可直接安装到基板的导线端子型、以及使用复式接头的连接器型可供选择。
±5%FS的高精度。
流量传感器

相关产品

更多>>

版权所有©2017 乐发Vll
备案号:粤ICP备14034895号

服务热线:4001386882/13902305242
 E-MAIL: lxl@dy-ele.com
 联系人: 李小姐
地址:广州市番禺区番禺大道北555号天安总部中心14号楼1007室

微信公众号

微信二维码