欢迎访问乐发Vll网站!

sitemap

联系我们

          全国服务热线:400-138-6882

微信客服

扫描微信二维码

客户服务热线

139-0230-5242

在线客服
联系我们

全国服务热线:

139-2897-4276

联系人:李小姐

手机:13928974276

电话:020-34329972

邮箱:LXL@DY-ELE.COM

地址:广州市番禺区番禺大道北555号天安总部中心14号楼1007室

高级搜索:
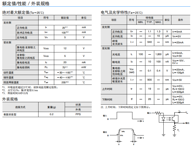
U型光电传感器EE-SX1330
  • U型光电传感器EE-SX1330

U型光电传感器EE-SX1330

所属类别:凹槽型光电传感器

产品规格:
U型光电传感器EE-SX1330

U型光电传感器EE-SX1330
  • U型光电传感器EE-SX1330

U型光电传感器EE-SX1330

所属类别:凹槽型光电传感器

产品规格:
U型光电传感器EE-SX1330

详细内容
欧姆龙超小型槽型·SMD型(槽宽:3mm)
印刷电路板表面封装型
高分辨率(狭缝宽:0.3mm)
U型光电传感器EE-SX1330

相关产品

更多>>

版权所有©2017 乐发Vll
备案号:粤ICP备14034895号

服务热线:4001386882/13902305242
 E-MAIL: lxl@dy-ele.com
 联系人: 李小姐
地址:广州市番禺区番禺大道北555号天安总部中心14号楼1007室

微信公众号

微信二维码