全国服务热线:
139-2897-4276
联系人:李小姐
手机:13928974276
电话:020-34329972
邮箱:LXL@DY-ELE.COM
地址:广州市番禺区番禺大道北555号天安总部中心14号楼1007室
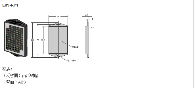
欧姆龙E3FA/E3RA/E3FB小型圆柱型光电传感器安装简单,设定操作简便直观。大而结实的旋钮方便安装人员对传感器进行调节,明亮的大功率红色LED清晰可见,即使在较长距离下也便于进行光轴对齐操作。传感器的LED状态指示灯同样具有较长的可见距离与较大的可见角度。
从食品饮料、纺织、制陶制砖到物流,E3FA/E3RA/E3FB型传感器通常安装于各行各业的厂房之中,无论是何种应用总有一款适合您。这一应用广泛的光电传感器系列具有高可靠性和增强的性能,其中包含对射型、回归反射型和扩散反射型(具有直视型和侧视型两种版本)。对于某些特定应用,背景抑制型、限定反射型和透明体检测型也提供了直视型版本。
版权所有©2017 乐发Vll
备案号:粤ICP备14034895号
服务热线:4001386882/13902305242
E-MAIL: lxl@dy-ele.com
联系人: 李小姐
地址:广州市番禺区番禺大道北555号天安总部中心14号楼1007室

微信公众号

微信二维码