欢迎访问乐发Vll网站!

sitemap

联系我们

          全国服务热线:400-138-6882

微信客服

扫描微信二维码

客户服务热线

139-0230-5242

在线客服
联系我们

全国服务热线:

139-2897-4276

联系人:李小姐

手机:13928974276

电话:020-34329972

邮箱:LXL@DY-ELE.COM

地址:广州市番禺区番禺大道北555号天安总部中心14号楼1007室

高级搜索:
G9ED-1-B-AQ   DC24V(150A)
  • G9ED-1-B-AQ   DC24V(150A)

G9ED-1-B-AQ DC24V(150A)

所属类别:车载DC功率继电器

产品规格:

G9ED-1-B-AQ   DC24V(150A)
  • G9ED-1-B-AQ   DC24V(150A)

G9ED-1-B-AQ DC24V(150A)

所属类别:车载DC功率继电器

产品规格:

详细内容

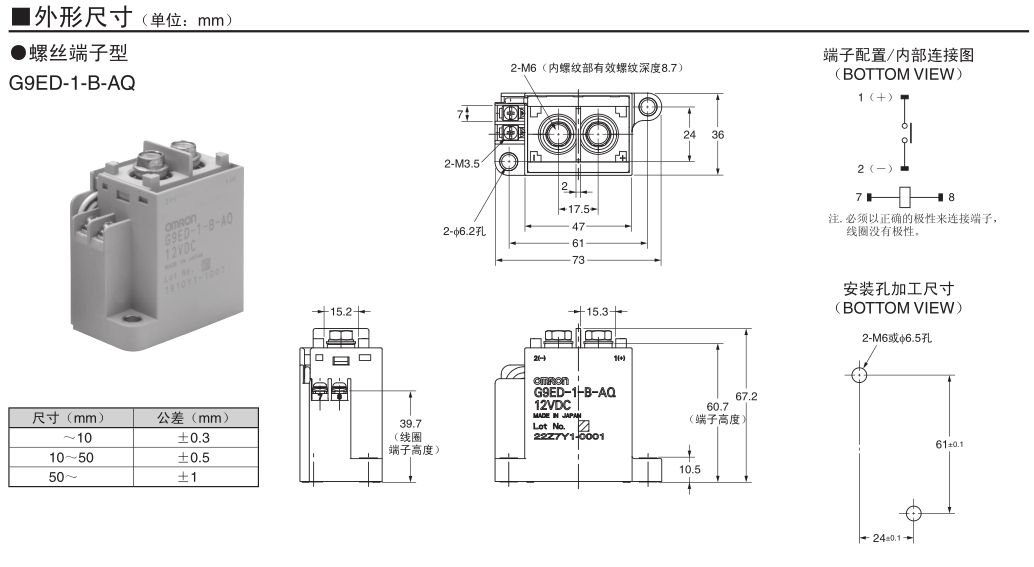
G9ED-1(-B)-AQ 直流功率继电器(150A型)
能切断高电压的直流负载并实现高电流通电的直流功率继电器
高67.2mm×宽36mm×长73mm的小型继电器,触点最大切换能力为300A。
开关部和驱动部是充气的密封结构,虽然体型小巧,却能切断高容量负载。另外,这种结构不需要电弧空间,即节省空间又确保安全。同时,接点不受使用环境的影响,提高了接触可靠性。
体积小、设计佳,使其在安装方向上没有限制。


                                          

车载DC功率继电器 G9ED-1-B-AQ DC12V,欧姆龙继电器G9ED-1-B-AQ
  • ■额定值
    ●操作线圈

    额定电压(V) 额定电流
    (mA)
    线圈电阻
    (Ω)
    动作电压
    (V)
    复位电压
    (V)
    最大容许电压
    (V)
    消耗功率
    (W)
    DC 12 333 36.0 额定电压的75%以下 额定电压的8%以上 额定电压的130%
    ( 23°C 10分钟内)
    约4
    DC 24 167 144.0

    ●开关部
    项目 阻性负载
    G9ED-1(-B)-AQ
    额定负载 DC400V 150A
    额定通电电流 150A
    接点电压的最大值(开闭) 400V
    接点电流的最大值(开闭) 150A

    ■性能



相关产品

更多>>

版权所有©2017 乐发Vll
备案号:粤ICP备14034895号

服务热线:4001386882/13902305242
 E-MAIL: lxl@dy-ele.com
 联系人: 李小姐
地址:广州市番禺区番禺大道北555号天安总部中心14号楼1007室

微信公众号

微信二维码