全国服务热线:
139-2897-4276
联系人:李小姐
手机:13928974276
电话:020-34329972
邮箱:LXL@DY-ELE.COM
地址:广州市番禺区番禺大道北555号天安总部中心14号楼1007室
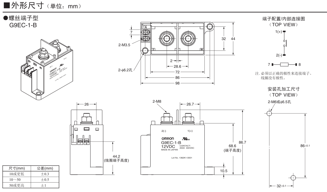
G9EC-1 DC功率继电器(200A型)
能切断高电压、高电流的直流负载的DC功率继电器
高86.7mm×宽44mm×长98mm的小型继电器,可以开关DC400V 200A。(最大可切断DC400V 1,000A)
开关部和驱动部是充气的密封结构,虽然体型小巧,却能切断高容量负载。另外,这种结构不需要电弧空间,既节省空间又确保安全。同时,接点不受使用环境的影响,提高了接触可靠性。
体积小、设计佳,使其在安装方向上没有限制。
备有工业应用所需的端子盖和DIN导轨适配器。
符合UL/CSA标准UL508。
版权所有©2017 乐发Vll
备案号:粤ICP备14034895号
服务热线:4001386882/13902305242
E-MAIL: lxl@dy-ele.com
联系人: 李小姐
地址:广州市番禺区番禺大道北555号天安总部中心14号楼1007室

微信公众号

微信二维码