欢迎访问乐发Vll网站!

sitemap

联系我们

          全国服务热线:400-138-6882

微信客服

扫描微信二维码

客户服务热线

139-0230-5242

在线客服
联系我们

全国服务热线:

139-2897-4276

联系人:李小姐

手机:13928974276

电话:020-34329972

邮箱:LXL@DY-ELE.COM

地址:广州市番禺区番禺大道北555号天安总部中心14号楼1007室

您当前的位置:首页 » 产品信息 » 欧姆龙继电器 » 固态继电器  » G3R-102PN DC12V
高级搜索:
G3R-102PN  DC12V
  • G3R-102PN  DC12V

G3R-102PN DC12V

所属类别:固态继电器

产品规格:

G3R-102PN  DC12V
  • G3R-102PN  DC12V

G3R-102PN DC12V

所属类别:固态继电器

产品规格:

详细内容

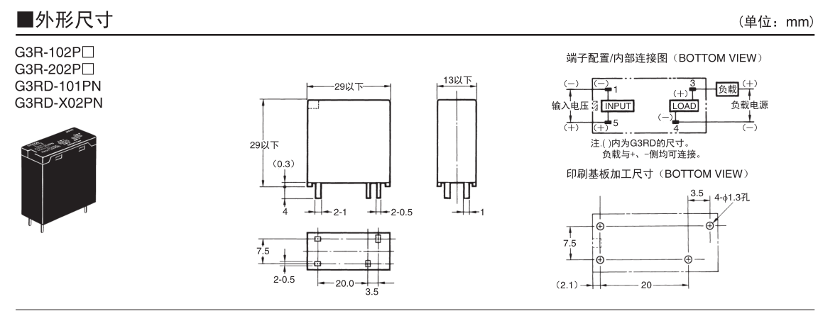
G3R 印刷基板用SSR。与G2R功率继电器同一形状

 直接封装于印刷基板型 标准装备了输入显示灯
 AC2,500V的高绝缘(耐压)
 DC输出型备有高电压型


                             

固态继电器 G3R-102PN DC12V,欧姆龙固态继电器 G3R-102PN DC12V

相关产品

更多>>

版权所有©2017 乐发Vll
备案号:粤ICP备14034895号

服务热线:4001386882/13902305242
 E-MAIL: lxl@dy-ele.com
 联系人: 李小姐
地址:广州市番禺区番禺大道北555号天安总部中心14号楼1007室

微信公众号

微信二维码