欢迎访问乐发Vll网站!

sitemap

联系我们

          全国服务热线:400-138-6882

微信客服

扫描微信二维码

客户服务热线

139-0230-5242

在线客服
联系我们

全国服务热线:

139-2897-4276

联系人:李小姐

手机:13928974276

电话:020-34329972

邮箱:LXL@DY-ELE.COM

地址:广州市番禺区番禺大道北555号天安总部中心14号楼1007室

您当前的位置:首页 » 产品信息 » 欧姆龙开关 » 轻触开关  » B3F-8000(N)
高级搜索:
B3F-8000(N)
  • B3F-8000(N)

B3F-8000(N)

所属类别:轻触开关

产品规格:
带保护盖轻触开关

B3F-8000(N)
  • B3F-8000(N)

B3F-8000(N)

所属类别:轻触开关

产品规格:
带保护盖轻触开关

详细内容

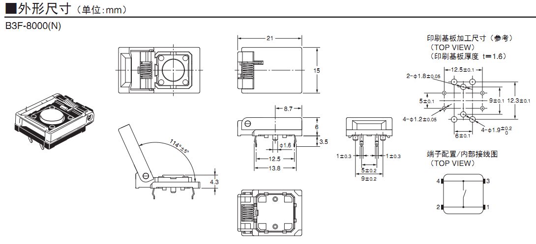
带保护盖的安全定向轻触开关

 保护盖确保无开关误操作。

 保护盖利用弹簧返回“close(关闭)”位置。


                   

带保护盖轻触开关

相关产品

更多>>

版权所有©2017 乐发Vll
备案号:粤ICP备14034895号

服务热线:4001386882/13902305242
 E-MAIL: lxl@dy-ele.com
 联系人: 李小姐
地址:广州市番禺区番禺大道北555号天安总部中心14号楼1007室

微信公众号

微信二维码