全国服务热线:
139-2897-4276
联系人:李小姐
手机:13928974276
电话:020-34329972
邮箱:LXL@DY-ELE.COM
地址:广州市番禺区番禺大道北555号天安总部中心14号楼1007室
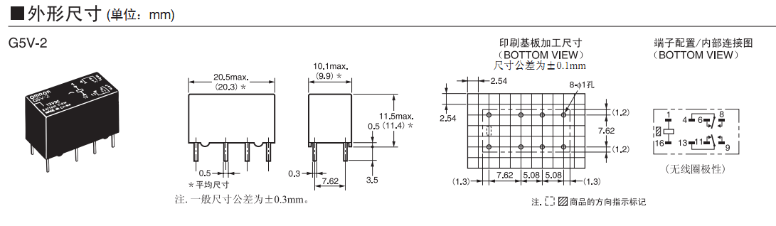
G5V-2 微型继电器
通用型低成本、2极信号用继电器
通用的DIL端子排列。
宽范围接点切换领域10μA~2A。
塑料密封型,横杆双接点为标准。高耐环境性能且高可靠性。
线圈接点间、同极接点间都是FCC parts68标准。(1,500V、10×160μs)
耐高电压、线圈接点间AC1,000V,同极接点间AC750V。
取得UL/CSA认证。
版权所有©2017 乐发Vll
备案号:粤ICP备14034895号
服务热线:4001386882/13902305242
E-MAIL: lxl@dy-ele.com
联系人: 李小姐
地址:广州市番禺区番禺大道北555号天安总部中心14号楼1007室

微信公众号

微信二维码