彩超:通常由探头(相控阵、线阵、凸阵、机械扇扫、三维探头、内窥镜探头等)、超声波发射/接收电路、信号处理和图像显示等部分组成。利用超声多普勒技术和超声回波原理,同时进行采集血流运动、组织运动信息和人体器官组织成像的设备。用于超声成像、测量与血流运动信息采集供临床超声诊断检查使用。其中探头可经食道、血管内、术中经人体内部组织,和/或用于超声导航等领域。
市场上目前有便携式彩超、推车式彩超,也有分为人用、兽用。

那么在彩超诊断设备上,有我们欧姆龙哪些机会点呢?
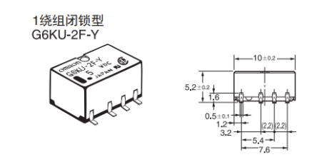
1、探头板:G6KU-2F-Y-TR系列:信号输出

特点:探头是用于收集检测的工具,在使用过程中,需要传输多路信号,需要用到很多继电器区控制,而欧姆龙磁保持继电器,是欧姆龙信号继电器中体积最小的系列,且磁保持型比常规款功耗更低,以其优良的品质,已经受到国内外知名品牌的选择和信赖;
2、电源控制:G3VM:高压电源切换控制

特点:目前市场上有些彩超诊断设备会使用高压电源,有些电压高达350V,电源控制就可选用欧姆龙MOS FET继电器,负载20V~600V的电压,满足这一部分的功能要求。
3、设备信号切换:G6J系列

特点:欧姆龙近年来的新系列继电器,线圈与接点间、同极接点间均为FCC part68(1.5kV 10×160μs)标准。且交货期短,是一款高性价比之选。
目前欧姆龙继电器已经在彩超诊断设备领域广泛使用,得到业内的一致认可!如您需要样品和选型支持,欢迎咨询广州鼎悦电子!



